Technical Data
![]()  | All technical data, as well as the mechanical and electrical characteristics, are specified in the data sheets of the corresponding device variant.  | 
Mechanical data  | |
|---|---|
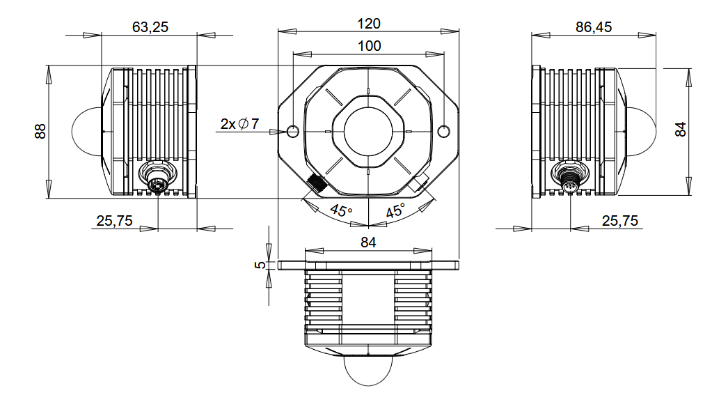
Dimensions (W x H x D)  | 120 mm x 100 mm x 87 mm  | 
Housing material  | Aluminum  | 
Lens material  | PTFE  | 
Connection  | M12, 4-pin d-coded female connector  | 
Weight  | 740 g  | 

Device overview drawing with abstracted lens
                                    -20250226-122356.png?inst-v=e3f208b4-1cd4-45d5-aea1-2959952ec344)